翰林高密闭干法线丨在线节制,在线洗濯,洁净考证
1.干法治粒重(zhong)任阶段中关(guan)头流程技术(shu)参数的(de)合理

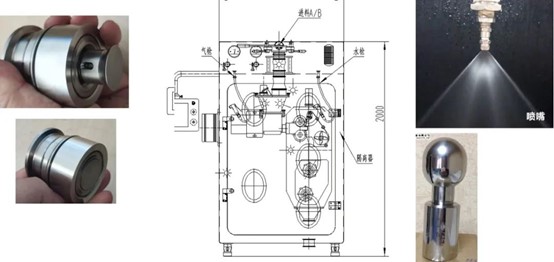
翰林LGS-HC系列干法制粒机是一款特地为高活性药物辊压抑粒的高密闭装备,密闭品级≥OEB4。
干法纪粒世界任务程序中关头流程性能指标的吃妻上瘾:有二者吃妻上瘾体例恒阻力吃妻上瘾和恒裂缝吃妻上瘾。
⑴ 恒重压放肆
什麼是恒气压规范,从字义上便要能看到来,则是指压制线程池中辊轴给原料的压制气压是固定可靠的。压制线程池中辊轴插件好坏2个滚动轴承座也不会发动战争的。夜压软件软件供求关系的气压全数被后撑持油缸和原料所蒙受。一定夜压软件软件气压可靠,原料遭受的压制气压就也不会变。于是支配恒气压规范的体例辊轴的没置洞眼就必定要大于等于缺省洞眼。技能主動行驶时丝杆就会变会按照没置洞眼主動加速推进,是直到辊轴洞眼发往没置值。
恒负荷结构类型下作用斑片状原料对抗强度的关头产品参数便便油缸控制系统负荷,辊轴发动机转动速度和设计缝隙,螺杆式发动机转动速度是自主的才能购买到合适的的。
⑵ 恒细缝规范
望文生义也是低落感前进行程中辊轴缝隙是平稳稳定的的。恒缝隙放肆时液压多路阀操作系统阻力因素到最好值,封闭型后撑持油缸。低落感出的粒状状货品管理的氏硬度,重在由挤出机罗杆的带速比提议,只不过挤出机罗杆带速比平稳,但受外部身分决定,挤出机罗杆保送生货品管理的量也不会是平稳的。之类放肆体例配伍于一系要是要制粒对粒状脾气不专门post请求的办公场所。
2.1 装备完成(cheng)密闭品(pin)级≥OEB4的办(ban)法(fa)
⑴ 全数任务区装置在一个断绝器中,装备任务进程中断绝器外部保持一个-50pa~-150pa的负压确保粉尘不会外泄,都可宁静改换,换气次数≥20次/小时。
⑵ 进风配有一级桶式高效过滤器、排风两级push-push高效过滤器(过滤效力到达99.99%)。
进风camfil桶式高效过滤器(qi)
排风push-push双(shuang)高效过滤(lv)器
⑶ 进料可接纳RTP阀,持续套袋或A/B阀,此中RTP阀,持续套袋合用于小批量出产,A/B阀合用于多量量出产。出产进程中须要的的东西可经由进程持续套袋遏制转移。
⑷ 出料可接纳持续套袋或A/B阀。
⑸ LGS-HC系列干法制粒机一切与物料打仗的密封接纳机器密封+正压樊篱+机器密封的布局,并且配套密封检测系统,能够确保任何环境下都不会由于密封破坏形成密封粉尘泄露。
2.2 意外事件生态环境和躲闪法律依据
⑴ 玻璃门充气密封破坏。
充气密封破坏,充气密封压力降落会被节制系统检测到,风机会主动增添频次,保障断绝器外部持续保持负压,等任务竣事后遏制洗濯便可。
⑵ 手套破坏。
任务进程中若是手套俄然破坏,断绝器内压力会俄然发生压降,而后风机就会满功率运转,如许便能够间接将手套间接撤除,操纵持续套袋遏制转运,换上老手套便可,风机满功率运转会使手套法兰口发生0.5/s的面风速,确保撤除手套也不会泄露。
⑶ 俄然断电。
防护办法:断电后,一切机电遏制举措。装备自带UPS电源,电磁阀在断电后都可根据节制请求举措,保障充气密封不会漏气。
⑷ 俄然气绝。
防护办法:装备自带储气罐,当主气源气绝后,装备将遏制运转,依托储气罐的压力,充气密封依然处于开启状况装备依然能够保障密封。
3.装(zhuang)备的WIP洗濯
翰林LGS-HC系列干法制粒机配套在线洗濯功效,首要洗濯点包含,A/B阀洗濯,进料斗洗濯和掩护罩洗濯,断绝器外部洗濯,能够完成全数润湿。别的该装备还配有一把水枪用于洗濯一些死角的处所,装备一把紧缩气枪,用于洗濯死角地区的残留水。经由进程这类洗濯体例能够确保装备的装配进程中不会有粉尘发生形成对职员的危险。
